Акции
Доставка
Оплата
О компании
23 магазина в СПб
+7 (812) 244 65 65
Пн-Пт 09-19, Сб-Вс 10-17
Заказать звонок
Вход
Войти
Зарегистрироваться
Каталог
Акции
Доставка и оплата
Оплата
О компании
Смесители
Смесители для ванны/душа
Смесители для кухни
Смесители для раковины
Комплекты смесителей
Комплектующие смесителей
Смесители для биде/душ гигиенический
Смесители хирургические
Краны для воды
Насосы, баки
Насосы вибрационные, колодезные
Насосы скважинные
Насосы циркуляционные
Насосные станции
Насосы дренажные
Насосы повышающие
Насосы фекальные
Баки расширительные
Канализационные установки
Измельчители кухонные
Комплектующие, шланги для насосов
Комплектующие для насосов
Комплектующие к бакам
Шланги напорно-всасывающие
Отопление
Радиаторы и конвекторы
Алюминиевые, биметаллические радиаторы
Стальные радиаторы
Чугунные радиаторы
Комплектующие для конвекторов
Комплектующие для радиаторов
Конвекторы
Полотенцесушители, комплектующие
Комплектующие для полотенцесушителей
Полотенцесушители
Баки для воды и топлива
Все для радиаторов
Термоголовки
Комплекты крепежа
Узлы для радиаторов
Фитинги для радиаторов
Комплекты для радиаторов
Воздухоотводчики
Котельное оборудование
Котлы, печи
Бойлеры
Группы безопасности
Дымоходы
Комплектующие котлов, бойлеров
Теплоносители
Стабилизаторы
Теплые полы
Теплый пол
Терморегуляторы
Кабель, комплектующие
Автоматика отопления
Подложка теплого пола
Комплектующие для баков
Печи, камины
Тепловые пушки
Белая сантехника
Унитазы, арматура, сиденья
Унитазы
Арматура для унитаза
Бачки для унитаза
Крышки для бачков
Сиденья для унитазов
Инсталляции, комплектующие, клавиши
Инсталляции
Клавиши для инсталляций
Бачки скрытого монтажа
Комплектующие для инсталляций
Монтажный профиль
Ванны, принадлежности для ванн
Бордюры для ванны
Ванны
Каркасы, ножки для ванн
Комплектующие для ванн
Панели для ванн, крепеж для панелей
Сливы-переливы для ванны
Шторки для ванны
Карнизы для ванн
Подголовники для ванн
Кухонные мойки, тумбы
Мойки нержавеющая сталь
Мойки стальные, эмалированные
Мойки камень/керамика
Тумбы под мойку, шкафы-сушилки
Комплектующие для моек
Раковины, пьедесталы
Раковины
Комплектующие для раковин
Пьедесталы
Мебель для ванной
Зеркала
Зеркала-шкафы
Раковины мебельные
Тумбы с умывальником
Тумбы, комоды
Шкафы
Шкафы-пеналы
Комплектующие для мебели
Столешницы
Душевые кабины и уголки
Душевые кабины
Душевые двери в нишу
Душевые перегородки
Душевые поддоны
Душевые уголки
Каркасы, ножки для поддонов
Комплектующие для душевых уголков
Панели, экраны для душевых поддонов
Биде, писсуары
Биде
Писсуары, смывные устройства
Электронные крышки-биде, сменные фильтры
Аксессуары для ванной комнаты
Ведра для мусора
Держатели для освежителя воздуха
Держатели для фена
Держатели туалетной бумаги
Дозаторы для жидкого мыла
Ершики
Коврики
Корзины для белья
Крючки
Мыльницы
Полки, стеллажи
Полотенцедержатели
Поручни для ванны
Прочие аксессуары для ванной комнаты
Стаканы
Шторы для ванной
Трубы и фитинги
Резьбовые фитинги
Полипропилен
Трубы полипропилен
Фитинги полипропилен
Сшитый полиэтилен
Трубы сшитый полиэтилен
Фитинги сшитый полиэтилен
Металлопластик
Трубы металлопластик
Фитинги металлопластик пресс
Фитинги металлопластик обжим
Нержавеющая сталь
Трубы нержавеющая сталь
Фитинги нержавеющая сталь
ПВХ
Фитинги ПВХ
Полиэтилен низкого давления
Трубы ПНД
Фитинги ПНД
Медь
Трубы медь
Фитинги медь
Сталь черная и оцинковакнная
Трубы черные, оцинкованные и нержавеющая сталь
Фитинги сталь черная и оцинкованная
Фитинги ремонтные
Водонагреватели
Водонагреватели электрические накопительные
Водонагреватели электрические проточные
Водонагреватели газовые проточные
Водонагреватели газовые накопительные
Аноды
Прочие комплектующие водонагревателей
Термостаты, терморегуляторы
ТЭНы, нагревательные элементы
Инженерная сантехника
Запорная арматура
Краны шаровые и вентили
Клапаны обратные
Редукторы давления
Вентили радиаторные
Клапаны балансировочные
Клапаны предохранительные
Клапаны термостатические, 3-х ходовые
Краны газовые
Краны мини
Манометры, термоманометры
Принадлежности для манометров, термометров
Термометры
Задвижки
Счетчики, защита от протечек
Счетчики воды
Защита от протечек
Счетчики газа
Комплектующие счетчиков воды, водомерного узла
Коллекторы, коллекторные группы
Коллекторные группы
Коллекторы
Краны шаровые для коллекторов
Фитинги для коллекторов
Насосно-смесительные узлы
Ящики коллекторные
Принадлежности для коллекторов
Техника быстрого монтажа
Управляющая электроника
Сервоприводы
Канализация
Канализация, трубы и фитинги
Жироуловители
Пескоуловители
Сифоны, гофры, трапы
Лотки дренажные, решетки
Гофры, отводы
Сифоны
Трапы
Выпуски, обвязки для ванны
Донные клапаны
Комплектующие для сифонов
Комплектующие для трапов
Люки сантехнические
Фильтры
Фильтры тонкой очистки
Фильтры магистральные
Картриджи для фильтров
Фильтры грубой очистки
Засыпки для фильтров, фильтрующие материалы
Комплектующие для фильтров
Краны для питьевой воды
Подводки, шланги, гофра
Подводки для воды и газа
Шланги для стиральной машины
Гофра защитная
Шланги
Герметики
Герметики, пена, клей
Прокладки, кольца
Фум, лён, скотч, изолента
Бытовая химия
Компенсаторы
Инструменты
Ключи, клещи
Труборезы и ножницы
Круги отрезные
Измерительный инструмент
Инструменты для металлопластика
Инструменты для полипропилена
Инструменты для нержавейки
Инструменты для сшитого полиэтилена
Ножовки, ножи
Отвертки
Пожарные принадлежности
Баллоны газовые, флюс пасты, лампы паяльные
Расходные материалы для инструментов
Защитные средства
Резьбонарезной инструмент
Хозяйственные товары
Крепеж
Теплоизоляция, звукоизоляция
Трубные розетки, отражатели
Товары для дачи
Биотуалеты
Комплектующие для биотуалетов
Комплектующие для полива
Септики
Шланги поливочные
Водонагреватели дачные
Климатическая техника
Karcher
Комплектующие
Вентиляция
Воздухоочистители, мойки воздуха
Увлажнители воздуха
Для общественных помещений
Прочие аксессуары для общественных помещений
Сушилки для рук
Тотальная распродажа
Бесплатная доставка
от 5000 руб. по Санкт-Петербургу
Адреса магазинов
+7 (812) 244 65 65
Заказать звонок
Бесплатная доставка
от 5000 руб. по Санкт-Петербургу
+7 (812) 244 65 65
0
Главная
/
Каталог
/
Инженерная сантехника
/
Сифоны, гофры, трапы
/
Трапы
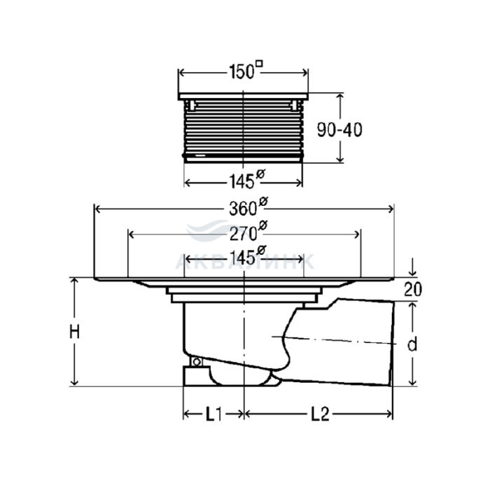
Трап Viega 4955.1 150х150/100 горизонтальный с металлической решеткой 557171
Скидка
Поможем
подобрать совместимое оборудование!
Доставим
купленные товары до дома или склада!
Проведем анализ
воды на вашем участке!
Артикул:
557171
4 230 ₽
Проверить наличие
Тип
Горизонтальный
-
Материал/Покрытие
Нержавеющая сталь/пластик
-
шт
В корзину
i
Цены в интернет-магазине могут отличаться от розничных
₽
Нашли дешевле? Давайте обсудим!
₽
Быстрый заказ
Характеристики
Описание
Наличие
Характеристики
Артикул
557171
Производитель (БРЕНД)
Viega
Страна-производитель
Германия
Тип затвора
Гидрозатвор
Гарантия
1 год
Материал/Покрытие
Нержавеющая сталь/пластик
Назначение
Водоотведение
Тип
Горизонтальный
Описание
Трап Viega 4955.1 150х150/100 горизонтальный с металлической решеткой 557171
Наличие
С этим товаром рекомендуем
Популярные в разделе
Скидка
Трап TIM/Zeissler для душевой с сухим затвором
Все предложения 2 шт.
Страна-производитель
Китай
Тип
Вертикальный
Горизонтальный
Размер
100х100мм
Материал/Покрытие
Нержавеющая сталь/пластик
1 415 ₽
1 415 ₽
Проверить наличие
Нет в наличии
Скидка
Трап AlcaPlast APV1324 105x105/50 мм горизонтальный
Артикул
APV1324
Страна-производитель
Чехия
Тип
Горизонтальный
Материал/Покрытие
Нержавеющая сталь/полипропилен
4 290 ₽
4 290 ₽
Проверить наличие
Нет в наличии
Скидка
Трап АНИ Пласт 100х100/50мм вертикальный с металической решеткой ТА5202
Артикул
60944
Страна-производитель
Россия
Тип
Вертикальный
Материал/Покрытие
Нержавеющая сталь/пластик
569 ₽
569 ₽
Проверить наличие
Нет в наличии
Скидка
Трап TIM/Zeissler из нержавеющей стали с вертикальным выпуском
Страна-производитель
Китай
Размер
150х150х50мм
Материал/Покрытие
Нержавеющая сталь
664 ₽
664 ₽
Проверить наличие
Нет в наличии
Просматривали
Заказ обратного звонка
Заявка успешно отправлена. Мы обязательно свяжемся с вами в ближайшее время.
Нажимая на кнопку, вы даёте согласие на
обработку персональных данных
Отправить